服務熱線

| ltems | Standard | |
| Operating temperature range | ﹣10℃~+50℃. | |
| 
				Electrical performance  | 
			Rating | 300mA..4V DC | 
| Insulation resistance | >50mΩ | |
| Dielectric strength | 250V 50HZ 1min | |
| Contact resistance | ≤100mΩ | |
| Durability | Lifetime | 10,000 Cycles | 
| 
				Mechanical performance  | 
			Operating force | 200±70gf | 
| Travel | 2.0±0.1mm | |

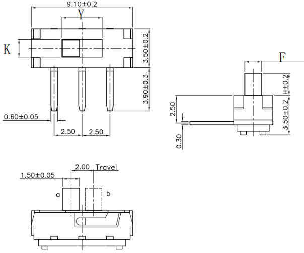
| Proudcts | Dimensions | Circuit Diagram | 
| Pad Layout | ||
				![]()  | 
			
				![]()  | 
			
				![]()  |